异地恋接吻神器的实现原理
发布时间:2023-02-21 10:48:20 来源:96845 编 辑:9万精品
|
近日,“异地恋接吻神器”引发争议,宣称专为异地恋情侣研发。据称把手机插入底座对准感应区亲吻,就能把感受到的嘴唇动作和力度,转化为讯号传到对方的嘴唇上,甚至还能在APP中的“接吻广场”体验到不同人的亲吻。对于此类产品,不少网友表示觉得很低俗,甚至担心未成年人购买使用;也有网友指出,“接吻广场”是否涉及灰色地带,究竟只是新奇用品还是另有其他。
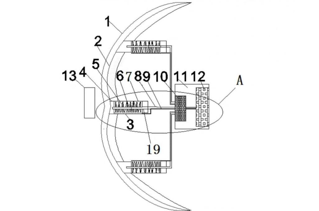
![]() 关于设计原理: 一种远程接吻装置,包括嘴唇组件、压力检测传导机构、中枢装置、电源组件和远程互联手机软件,所述嘴唇组件设置在外壳上,所述压力检测传导机构、中枢装置和电源组件内部设置在外壳内部,所述嘴唇组件通过压力检测传导机构与中枢装置相连,所述电源组件与中枢装置相连,为中枢装置提供电源,所述中枢装置通过蓝牙与远程互联手机软件相连。本发明提供一种远程接吻装置,它可以解决异地两人接吻的问题,并且使具有口腔传染疾病的人员也能实现接吻。 ![]() |




